Working Drawing, Dimensioning, and Geometric Tolerances are foundational concepts in engineering and manufacturing—and they’re far more than just lines on paper. Here's why this course is so important:
Why It Matters in Real-World Engineering
- Clear Communication: Working drawings serve as the universal language between designers, engineers, and manufacturers. They eliminate ambiguity and ensure everyone understands the design intent.
- Precision & Accuracy: Dimensioning defines exact sizes and locations of features. Geometric tolerances specify acceptable variations in shape, orientation, and position—critical for parts that must fit and function together.
- Quality Control: These tools help inspectors verify whether a part meets specifications, reducing errors and rework.
- Cost Efficiency: Proper tolerancing allows for flexibility in manufacturing, which can reduce production costs without compromising functionality.
- Interchangeability: Ensures that parts made in different batches or locations will still fit and function together seamlessly.
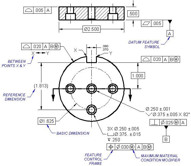
📏 Key Concepts You’ll Learn
|
Concept |
Purpose |
|---|---|
|
Dimensioning |
Specifies exact measurements for features like holes, edges, and surfaces |
|
Geometric Tolerancing |
Controls form, orientation, location, and runout of features |
|
Datums |
Reference points or planes used to measure and inspect parts |
|
Tolerance Zones |
Defines allowable variation in part geometry |
🚀 Career Relevance
- Mechanical Design: Essential for CAD modeling and technical drawing.
- Manufacturing & QA: Crucial for machining, inspection, and assembly.
- Product Development: Helps ensure design intent is preserved from concept to production.
If you’re aiming for a career in engineering, product design, or manufacturing, mastering these principles is like learning the grammar of the technical world.
- Teacher: Dilip Kunte